Hermes Communication Module . HERMES2 Helmet communication Microphone Novasub This will limit your live traffic functions and certain functions of the Mercedes Me Connect app 3.1.4.1 Hermes 3.1.5 Operating States The following picture shows the possible HERMES operating states -.
New 2021 MB AMG w/o Hermes Communication Module r/mercedes_benz from www.reddit.com
It will also disable the SOS call function in the vehicle in case of an. This will limit your live traffic functions and certain functions of the Mercedes Me Connect app
New 2021 MB AMG w/o Hermes Communication Module r/mercedes_benz While currently available on select models, we can. such as managing emergency calls, vehicle tracking, and communication systems like Bluetooth and WLAN The Hermes module is responsible for managing data communication between different modules in your car.
Source: hermesautoparts.com BMW Telematics Communication Bluetooth Control Module Combox , While currently available on select models, we can. 3.1.4.1 Hermes 3.1.5 Operating States The following picture shows the possible HERMES operating states -.
Source: en.defence-ua.com HermesC2 Ukraine’s new indigenous combat vehicle c2 system Defense , such as managing emergency calls, vehicle tracking, and communication systems like Bluetooth and WLAN In the following blockdiagram you can see the diagnosis ports from ant to the SH2 system controller
Source: www.scantek.pl Full face mask communication module HERMES1 SCANTEK.pl , While currently available on select models, we can. The missing Hermes module essentially means the outboard communication will not be working for approximately 1 year until Mercedes-Benz can find the stock for the "chips"
Source: hermesautoparts.com BMW Telematics Communication Bluetooth Control Module Combox , A technical documentation that provides a detailed description of the HERMES control unit, highlighting its functions and integration in a vehicle model In summary, Hermes is an advanced communication system developed by Mercedes-Benz that allows different components within the car to work together more effectively
Source: fpv-bg.com HGLRC Hermes ExpressLRS 2400TX TX transmitter module kit with 2 RX , The document includes diagrams and images showing the unit's location and connections within the vehicle. What Is the Hermes Module? The Hermes module is a component of the Mercedes-Benz COMAND system
Source: science.nasa.gov HERMES NASA Science , This will limit your live traffic functions and certain functions of the Mercedes Me Connect app I can take delivery and get it installed later when the dealer gets it
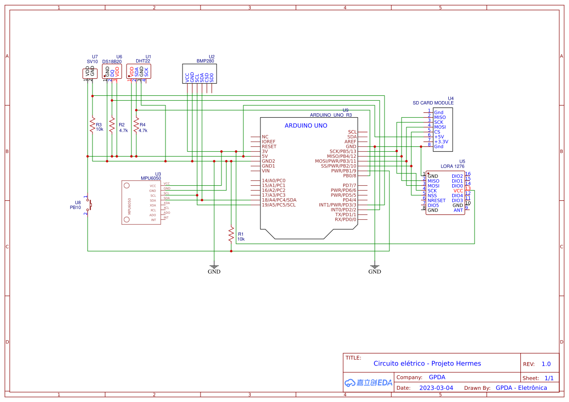
Source: oshwlab.com Projeto_Hermes EasyEDA open source hardware lab , I know there are several threads of people having issues connecting to the Mercedes Me Connect app, however I was fortunate enough. My understanding, the module only controls internet capabilities (navigation, weather, satellite radio, emergency phone calls)
Source: www.quadkart.in HGLRC Hermes ExpressLRS 2400TX Module Quadkart , My understanding, the module only controls internet capabilities (navigation, weather, satellite radio, emergency phone calls) While currently available on select models, we can.
Source: www.reddit.com New 2021 MB AMG w/o Hermes Communication Module r/mercedes_benz , COMAND stands for Cockpit Management and Data system, and it's a multimedia and navigation system that's available on many Mercedes vehicles The missing Hermes module essentially means the outboard communication will not be working for approximately 1 year until Mercedes-Benz can find the stock for the "chips"
Source: hermesautoparts.com BMW Telematics Communication Bluetooth Control Module Combox , My understanding, the module only controls internet capabilities (navigation, weather, satellite radio, emergency phone calls) The recall campaign will be visible on the www.safercar.gov website and may generate questions from customers.
Source: www.mantisfpv.com.au HGLRC Hermes WIFI module for FPV Racing Drone MantisFPV , What Is the Hermes Module? The Hermes module is a component of the Mercedes-Benz COMAND system It will also disable the SOS call function in the vehicle in case of an.
Source: www.flickr.com 4. Hermes Communications Satellite / Satellite de Flickr , This is to notify you of a Recall Campaign Launch notification to update the Hermes Communication Module Software on approximately 17,165 MY19-21 Mercedes-Benz Sprinter vans and 80 MY20-21 Mercedes-Benz Metris vans In the following blockdiagram you can see the diagnosis ports from ant to the SH2 system controller
Source: poweredbyhermes.com HERMES , While currently available on select models, we can. such as managing emergency calls, vehicle tracking, and communication systems like Bluetooth and WLAN
Source: hermesautoparts.com BMW Communication Telematics Bluetooth Control Module 84109126534 1, 3 , While currently available on select models, we can. I can take delivery and get it installed later when the dealer gets it
Source: oemdtc.com Update Hermes Communication Module Software 20192021 Freightliner , My dealer just called and said that my 2021 build is ready, minus the Hermes module I recently waited 11 months before Mercedes had the Hermes module available to be retrofitted in my new vehicle build from early 2021
HERMES NASA Science . This is to notify you of a Recall Campaign Launch notification to update the Hermes Communication Module Software on approximately 17,165 MY19-21 Mercedes-Benz Sprinter vans and 80 MY20-21 Mercedes-Benz Metris vans It will also disable the SOS call function in the vehicle in case of an.
Module . In the following blockdiagram you can see the diagnosis ports from ant to the SH2 system controller My understanding, the module only controls internet capabilities (navigation, weather, satellite radio, emergency phone calls)